Автоматика для твердопаливного котла Euroster 11W
Твердопаливні котли зараз часто застосовують в приватних будинках або на виробництвах через їх високого ККД. Єдиний недолік - постійна присутність людини. Для тієї ж регулювання температури доводиться самому налаштовувати подачу повітря. Тому стало популярно встановлювати на котли автоматику. Euroster 11W - регулятор, який дозволити підвищити ККД, знизити витрати електроенергії і досягти більшої безпеки під час роботи.
Де застосовують
В основному це:
- системи вентиляції;
- котли для нагрівання.
Також застосовують в інших системах, де потрібно регулювати подачу повітря. Це корисно будинку і у виробництві, щоб зменшити участь людини в опаленні приміщення.
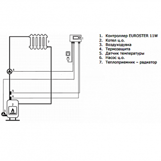
Комплектація і особливості роботи
Складається автоматика для твердопаливних котлів Euroster 11W з:
- корпусу шириною всього 15 сантиметрів;
- стрічки для затиску датчика;
- шаблону для правильного кріплення;
- дюбелів для розпору.
Через габаритів автоматика не займе багато місця в котельні. Принцип роботи у контролера простий. Для початку ви виставляєте необхідну температуру. Коли котел її досягає, датчик передає сигнал на блок управління, а він вимикає вентилятор подачі повітря. В результаті полум'я гасне. Коли температура падає нижче необхідної, регулятор знову подає повітря в топку за допомогою вентилятора. Полум'я розгоряється і підтримує температуру. Процес відбувається по колу, щоб рівномірно опалювати приміщення.
Переваги
Euroster 11W має такі плюси:
- Функція «антизамерзання» для зимового періоду.
- Функція «Анти-стоп», коли опалювальний сезон вже закінчився. Вона раз у 14 днів включає насос на 30 секунд. Це додатковий захист від залипання при включенні перед опалювальним сезоном.
- Зручність. Вам не потрібно виставляти заслінку вручну і постійно стежити за температурою. Ви тільки виставляєте необхідне значення.
- Безпека. Контролер захищає котел від перегріву, продовжує його термін служби і зменшує ймовірність поломки вузлів.
- Ефективність. Система подає рівно стільки палива, скільки потрібно для підтримки конкретної температури, через що знижується витрата.


